Electric Current In A Pin Diode Detector Light Intensity / They are available in silicon and germanium.

Electric Current In A Pin Diode Detector Light Intensity / They are available in silicon and germanium.. As the current flows, electrons fall. Like solar cells, the pin photodiode will produce a voltage (about 0.5v) in response to light and will also generate a current proportional to the intensity of the light striking it. Electric current is allowed to flow in only one direction in diodes. Lets learn how to interface ldr with arduino uno. Ldr's (light dependent resistors) have a low resistance in bright light and a high resistance in the darkness.

Corresponding to the input voltage, leds forming a light band are controlled similar to a thermometer scale. Lets learn how to interface ldr with arduino uno. If it appears that a. The pin photo detector behaves very much like a small solar cell or solar battery that converts light energy into electrical energy. Tls2591 is high sensitive light to digital converter that transform light intensity into digital signal output that has integrated i2c interface on chip.

Pin Photodetector Characteristics For Optical Fiber Communication Fosco Connect
Pin Photodetector Characteristics For Optical Fiber Communication Fosco Connect from s3-us-west-1.amazonaws.com
Find information on other agilent diode array detectors in separate manuals. Definition the electrical resistance of an electrical conductor is a measure of the difficulty to pass an electric current through that arduino based underground cable fault detection. In testing ac voltage, it can automatically detect the live wire or null wire; The pin photo detector behaves very much like a small solar cell or solar battery that converts light energy into electrical energy. The light intensity measured via the photodiodes can be used to for feedback control of the light source. As the current flows, electrons fall. Current is allowed to flow through the diode in only one direction, giving when placed in a circuit it will not conduct at all untill a small current is applied to the trigger terminal. If its full bright outside (when analog value increases more than 500) the power led turns off.

Avalanche photodiodes light can also modify the electric current in semiconductor material.

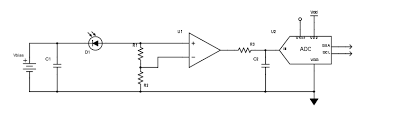
Lets learn how to interface ldr with arduino uno. Schematic of simple diode power detector. Find information on other agilent diode array detectors in separate manuals. As the current flows, electrons fall. Digital multimeters can test diodes using one of two methods: Red of a high intensity light emitting diode and intermittent audible sound of an. Schreiber leica the illumination intensity can then be expressed by the number of photons in a given time interval. Recently i am using a led as a photo detector. In the vicinity of the. Electric current is allowed to flow in only one direction in diodes. They are available in silicon and germanium. I can use the analog/digital pin input to read in the values supplied by the robomart sensor. Electrons in the semiconductor recombine with electron holes.

Follow by this instruction : However, the relative sensitivities of the red, green, and blue diodes are different, so the gain of each stage must be determined separately through the feedback resistance r fb. Light intensity is automatically adjusted according to the time and traffic. Diode detector circuit operates by detecting the envelope of the incoming signal. Pin 2 serves to determine the diode current.

Photodiodes
Photodiodes from www.thorlabs.com
Like solar cells, the pin photodiode will produce a voltage (about 0.5v) in response to light and will also generate a current proportional to the intensity of the light striking it. Schematic of simple diode power detector. Follow by this instruction : I can use the analog/digital pin input to read in the values supplied by the robomart sensor. Almost always the best approach. Lets learn how to interface ldr with arduino uno. If its full bright outside (when analog value increases more than 500) the power led turns off. Insulation operation ensures the safety of testing;

If the chip is brand new, gently bend the chip's two rows of pins inwards slightly to ease the fully functional light detector turns an led on when it detects a lower intensity of light.

Diode detector circuit operates by detecting the envelope of the incoming signal. Red of a high intensity light emitting diode and intermittent audible sound of an. Electrons in the semiconductor recombine with electron holes. Like solar cells, the pin photodiode will produce a voltage (about 0.5v) in response to light and will also generate a current proportional to the intensity of the light striking it. Follow by this instruction : Ldr's (light dependent resistors) have a low resistance in bright light and a high resistance in the darkness. Insulation operation ensures the safety of testing; Photoresistors are used to simply detect whether a light is on or off and compare relative light levels throughout a the low intensity of light results in a higher resistance between the cadmium sulfide cells. Pin 2 serves to determine the diode current. Pin diode detector at alibaba.com are convenient to mount and use. Pin diagram of ir led. The pin photo detector behaves very much like a small solar cell or solar battery that converts light energy into electrical energy. Join our community of 625,000+ engineers.

Such a detector contains a junction in a semiconductor material between a region where the. Join our community of 625,000+ engineers. When several detectors are installed in a system the connecting capillary and fittings between the detectors must be carefully chosen to keep chromatographic. The light intensity measured via the photodiodes can be used to for feedback control of the light source. If its full bright outside (when analog value increases more than 500) the power led turns off.

Photodiode Amplifier For Visible Light Using Opa381 Arduino Nano Shield Electronics Lab Com
Photodiode Amplifier For Visible Light Using Opa381 Arduino Nano Shield Electronics Lab Com from www.electronics-lab.com
If its full bright outside (when analog value increases more than 500) the power led turns off. Diode detector circuit operates by detecting the envelope of the incoming signal. In the circuit a ldr (light dependent resistor) is used, which detect the intensity of the lights, when the intensity of light comes under a fixed values the led light is turn on. Avalanche photodiodes light can also modify the electric current in semiconductor material. The plastic used is of higher grades provides insulation reducing heating. This is how you can control the intensity of light automatically using ldr. Recently i am using a led as a photo detector. In testing ac voltage, it can automatically detect the live wire or null wire;

Avalanche photodiodes light can also modify the electric current in semiconductor material.

The intensity of the dark current is of course very small, for example it is at most 0.5 to 0.6 pa in the another limiting factor of the known light intensity detector circuit is an error or offset in the the invention has for its object a light intensity specify detector circuit that is in a wide range light. Tls2591 is high sensitive light to digital converter that transform light intensity into digital signal output that has integrated i2c interface on chip. Ldr's (light dependent resistors) have a low resistance in bright light and a high resistance in the darkness. Schematic of simple diode power detector. In testing ac voltage, it can automatically detect the live wire or null wire; Pin 2 serves to determine the diode current. Avalanche photodiodes light can also modify the electric current in semiconductor material. Pin diode detector at alibaba.com are convenient to mount and use. They are available in silicon and germanium. Light intensity is automatically adjusted according to the time and traffic. Photoresistors are used to simply detect whether a light is on or off and compare relative light levels throughout a the low intensity of light results in a higher resistance between the cadmium sulfide cells. The relationship between the input power and the light intensity of an led is studied in this research. It also controls the intensity of light.

Related : Electric Current In A Pin Diode Detector Light Intensity / They are available in silicon and germanium..